山東風途物聯網科技有限公司
聯系人:杜經理
聯系電話:16652863761
QQ:2749609891
公司地址:山東省濰坊市高新區光電路155號光電產業加速器(一期)

PRODUCT
聯系人:杜經理
聯系電話:16652863761
QQ:2749609891
公司地址:山東省濰坊市高新區光電路155號光電產業加速器(一期)
產品型號:FT-B1
產品價格:240元
產品品牌:風途
一、光照傳感器產品簡介
光照傳感器是一種用于測量周圍環境光照強度的傳感器,其主要原理是利用光電效應將光信號轉換為電信號,光照傳感器廣泛應用于農業、林業、溫室大棚培育、養殖、建筑的光照測量及研究。山東風途物聯網科技有限公司作為專業研發生產氣象傳感器的企業,一直致力于氣象傳感器和氣象環境解決方案推廣應用。具有完整的生產鏈、實力雄厚的技術團隊和全面的營銷團隊,我們研發生產的傳感器已廣泛應用到智慧農業、氣象監測、城市環境監測、風力發電、航海船舶、航空機場、橋梁隧道等領域,客戶遍布全國各地,并取得了良好的社會效益和經濟效益。
二、光照傳感器產品特點
1、抗干擾能力強,具有看門狗電路,自動復位功能,保證系統穩定運行
2、高集成度,無移動部件,零磨損
3、免維護,無需現場校準
4、采用ASA工程塑料室外應用常年不變色
5、產品設計輸出信號標配為RS485通訊接口(MODBUS協議);可選配232、USB、以太網接口,支持數據實時讀取☆
6、可選配無線傳輸模塊,最小傳輸間隔1分鐘
三、光照傳感器技術參數
1、光照:0-157286LUX(<±3%)
2、功率:0.24W
3、生產企業具有計算機軟件注冊證書☆
4、生產企業為3A級信用企業☆
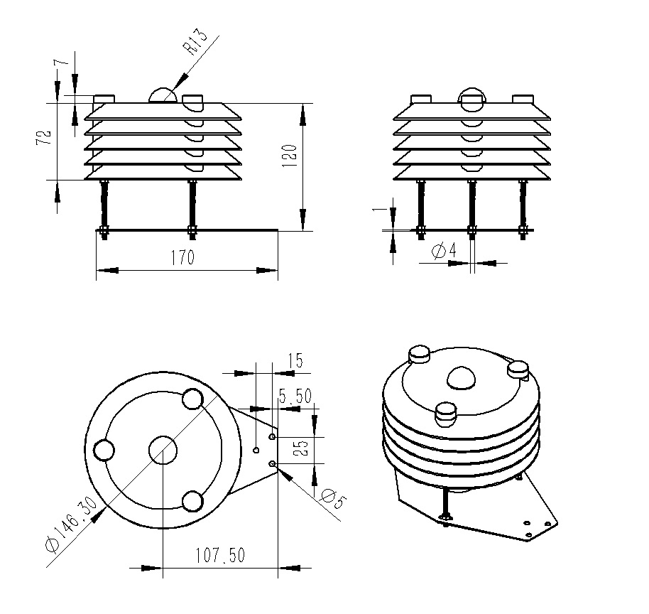
四、光照傳感器產品尺寸圖

五、光照傳感器產品結構圖

更新時間:2026-04-17
本文地址:http://m.stammer.com.cn/qxcg/891.html農業氣象站的建設與布署
2022-08-11 17:13:02微型氣象站哪個牌子好用?
2022-09-20 09:15:54微型氣象監測站FT-BQX8介紹
2024-12-24 13:13:18介紹風途2款智慧路燈環境傳感器
2022-03-21 15:06:05大氣網格化微站,數據要素×氣象服務
2025-07-17 16:48:54微氣象在線監測裝置,保護輸電線路安全
2024-08-07 16:16:09氣象五參數測定儀介紹
2022-12-13 17:30:05氣象站傳感器主要有那些作用
2025-11-18 10:25:07氣象傳感器廠家推薦
2023-12-01 16:32:38為什么要安裝社區氣象站?
2021-12-15 14:51:18